郎特調光led燈管兩種方式對比優缺點,可控硅調光與0-10v調光
可控硅調光和 0-10V 調光都是常見的 LED 燈管調光方式,以下是它們的優缺點對比:
優點
兼容性好:可控硅調光器可以直接替換傳統的白熾燈調光器,不需要對線路進行大規模改造,適用于大多數現有的照明系統,尤其是家庭和小型商業場所中已經安裝了可控硅調光設備的情況。
成本較低:可控硅調光器的價格相對較為便宜,而且由于其技術成熟,生產規模大,所以整體成本較低,包括調光器本身以及安裝和維護成本。
調光范圍廣:能夠實現較寬的調光范圍,通??梢詮?0% 到 100% 進行調光,滿足不同場景下的亮度需求。
缺點
諧波干擾:可控硅調光通過斬波的方式來改變電壓,會產生諧波,可能對電網造成干擾,影響其他電器設備的正常運行,尤其是在對電磁兼容性要求較高的場所,如醫院、實驗室等,可能會帶來問題。
調光精度有限:在低亮度下可能會出現閃爍或亮度不均勻的現象,調光精度相對較低,難以實現非常精確的亮度控制。
不適用于大功率燈具:對于功率較大的 LED 燈管調光,可控硅調光可能會出現過熱等問題,影響調光器和燈具的壽命,甚至存在安全隱患。

優點
高精度調光:0-10V 調光屬于模擬調光方式,能夠提供非常精確的亮度控制,調光曲線平滑,在整個調光范圍內都能實現穩定、無閃爍的調光效果,適用于對燈光質量要求較高的場所,如博物館、畫廊、高端酒店等。
電磁兼容性好:郎特調光燈管由于采用的是低電壓模擬信號進行調光,不會產生諧波干擾,對電網和其他設備的影響較小,符合電磁兼容性標準,適用于各種對電磁環境要求嚴格的場所。
可擴展性強:易于實現多個燈具的聯動控制和集中控制,方便構建智能照明系統,可以通過中央控制器對多個燈具進行統一調光和管理,實現復雜的照明場景設置和自動化控制。
缺點
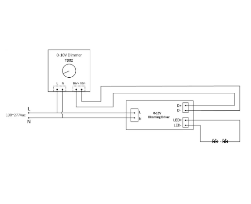
布線復雜:需要單獨鋪設 0-10V 的控制線,與 LED 燈管的電源線分開,布線成本較高,尤其是在對現有照明系統進行改造時,可能需要重新布線,施工難度較大。
設備成本高:0-10V 調光器和配套的燈具驅動器價格相對較高,增加了整個照明系統的初始投資成本。
兼容性問題:不同廠家的 0-10V 調光設備之間可能存在兼容性問題,在選擇設備時需要注意品牌和型號的匹配,否則可能無法正常工作或達不到預期的調光效果。
