以下是关?0-10V 调光 LED {灯的相关信息:(x)
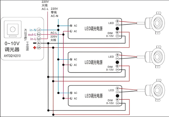
通常 0-10V 调光 LED {灯的接U图涉及(qing)调光控制器、驱动电(sh)源和{灯。调光控制器的输出端q接到驱动电(sh)源的 0-10V 调光接口Q驱动电(sh)源的输入端接 AC220V 甉|Q输出端?LED {灯?/p>
单个 21W {灯Q先?AC220V 甉|U接入驱动电(sh)源的输入端,区分?LQ火U)(j)?NQ零U)(j)Q再驱动电(sh)源的输出端与 21W LED {灯q接Q注意正负极对应Q最后把 0-10V 调光信号U的一端接调光控制器的输出端,另一端接驱动甉|?0-10V 调光接口?/p>
30 ?630W {灯QAC220V 甉|U接入总驱动电(sh)源的输入端;?30 个筒灯的驱动甉|输出端采用ƈ联方式连接到总驱动电(sh)源的输出端,保每个{灯驱动甉|的正负极q接正确且牢固;0-10V 调光信号U先q接C个信号分配器或放大器的输入端Q再从信号分配器或放大器的输出端分别q接?30 个筒灯的驱动甉| 0-10V 调光接口?/p>

一般徏?0-10V 调光信号U与强电(sh)늼保持 15cm 以上的距,以避免电(sh)干扰。信L(fng)长度在没有信h大器{辅助设备时Q通常不宜过 30 cI若超q?30 c_能会(x)出现信号衰减Q导致调光不准确、不E_{问题?/p>
输入?sh)?/span>Q一般ؓ(f) AC85-265VQ能适应较宽的电(sh)|电(sh)压范围?/p>
输出甉|Q根据筒灯功率和灯珠数量定Q如 21W {灯的驱动电(sh)源输出电(sh)可能在 700mA 左右?/p>
输出?sh)?/span>Q通常在一定范围内Q如 18-42V Q?0-80v{?/p>
调光接口Q标准的 0-10V 输入接口Q输入阻抗较高,一般大?10kΩ?/p>
效率Q通常?93% 以上Q高效率可减发热和能源损耗?/p>
保护功能Q具备短路保护、过压保护、过温保护、过载保护等?/p>

已知光效?100lm/WQ单?21W {灯?0V 时光通量?0lmQ?0V 全亮时光通量?21W×100lm/W=2100lm?0 个筒灯在 0V 时光通量?0lmQ?0V 全亮时光通量?630W×100lm/W=63000lmQ在 0-10V 调光q程中,光通量?0-2100lmQ单个)(j)?-63000lmQ?0 个)(j)之间U性变化?/p>
安装Q将调光器安装在便于操作的位|,如墙壁开关面板处Q确保其甉|输入q接正确Q与 0-10V 调光pȝ的其他设备布U规范?/p>
调节Q通过旋{旋钮、滑动推杆或按动按钮{方式,改变输出?0-10V ?sh)压信号Q从而调节筒灯亮度?/p>
与系l配?/span>Q调光器应与驱动甉|和筒灯的 0-10V 调光规格匚wQ若与智能控制系l连接,可实现远E控制、定时控制等功能?/p>
